The pump consists of two figure “8” shaped rotors and two semicircular pump houses. The rotors rotate synchronously in opposite directions and high speeding. The pump cannot be used singly; it must be used as boosters combined with a backing pump such as a rotary piston or a rotary vane vacuum pump, or a liquid ring vacuum pump. These vacuum systems can get higher vacuum, a stable, fairly high pumping speed can be gained in effective pressure range. The backing pump decides the ultimate pressure of roots pump. The data of the list is lowest ultimate pressure with the standard equipment (equipped double stage oil machine vacuum pump). The Roots pumps are widely used in vacuum moulding, vacuum smelting, vacuum gas pumping, vacuum coating industry, vacuum distilling and vacuum drying of chemical and pharmaceutical industry etc. The pump is insensitive to a little dust.
Merit:
1. The lack of reciprocating parts allows a perfect dynamic balancing, because the rotors is processed by numerical control machine tool and balanced carefully. It has perfect geometry symmetry. There is certain clearance between the two rotors. The pump house and end-cover is processed by especial machine tool. It has high precision. So the pump own feature of stable operation, low noise, low vibration and high ultimate pressure.
2. The robust drive of ump and operating parts balanced carefully permit that the pump be stably operated continuously under the condition of high different pressure.?
3.They can be started quickly, and in short time ultimate pressure is reached
4. Lubrication is unnecessary as there is no contact between rotors, rotor and house, that avoid oil vapor from polluting vacuum system.
5. Good reliability characteristic. Their inherent overflow valve play auto-protective role.
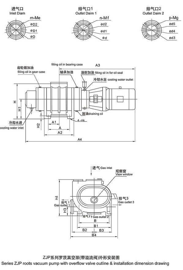
6. Compact structure, low footprint design. There are three gas outlet ports that are in left, right and under pump house. It is convenient for consumer installing.
Merit:
1. The lack of reciprocating parts allows a perfect dynamic balancing, because the rotors is processed by numerical control machine tool and balanced carefully. It has perfect geometry symmetry. There is certain clearance between the two rotors. The pump house and end-cover is processed by especial machine tool. It has high precision. So the pump own feature of stable operation, low noise, low vibration and high ultimate pressure.
2. The robust drive of ump and operating parts balanced carefully permit that the pump be stably operated continuously under the condition of high different pressure.?
3.They can be started quickly, and in short time ultimate pressure is reached
4. Lubrication is unnecessary as there is no contact between rotors, rotor and house, that avoid oil vapor from polluting vacuum system.
5. Good reliability characteristic. Their inherent overflow valve play auto-protective role.
6. Compact structure, low footprint design. There are three gas outlet ports that are in left, right and under pump house. It is convenient for consumer installing.
ZJ、ZJP pum main perfomance-parameter table
| 型號(hào) | Ultimate pressure(Pa) | pumping speed(L/S) |
maximum permissible Different pressure (HPa) |
lnlet & outlet dimensions (mm) |
Power (kw) |
Max Compression ratio with zero throughput | Weight(Kg) | ||
|
配用雙級(jí)油封 機(jī)械真空泵 |
配用單級(jí)油封 機(jī)械真空泵 |
lnlet | outlet | ||||||
| ZJP-70 | ≤2x10-2 | ≤1x10-1 | 70 | 100 | 80 | 50 | 1.5 | ≥35 | 100 |
| ZJP-150 | 150 | 80 | 100 | 100 | 2.2/3 | ≥40 | 220 | ||
| ZJP-300 | 300 | 80 | 150 | 150 | 4 | ≥40 | 300 | ||
| ZJP-600 | 600 | 50 | 200 | 200 | 5.5/7.5 | ≥45 | 575 | ||
| ZJP-1200 | 1200 | 50 | 250 | 200 | 11/15 | ≥50 | 860 | ||
| ZJP-2500 | 2500 | 30 | 320 | 250 | 18.5/22 | ≥50 | 1480 | ||
| ZJ-30 | 30 | 100 | 50 | 40 | 0.75 | ≥30 | 55 | ||
| ZJ-70 | 70 | 100 | 80 | 50 | 1.5 | ≥35 | 90 | ||
| ZJ-150 | 150 | 80 | 100 | 100 | 2.2/3 | ≥40 | 210 | ||
| ZJ-300 | 300 | 80 | 150 | 150 | 4 | ≥40 | 285 | ||
| ZJ-600 | 600 | 50 | 200 | 200 | 5.5/7.5 | ≥45 | 550 | ||
| ZJ-2500 | 2500 | 30 | 320 | 250 | 18.5/22 | ≥50 | 1480 | ||
| ZJ-5000 | 5000 | 30 | 400 | 320 | 37/45 | ≥55 | 3400 | ||

| Model | A | A1 | A2 | A3 | B | B1 | B2 | B3 | H | H1 | H2 | H3 | D | D1 | D2 | d | d1 | d2 | d3 | d4 | d5 | m | n | p | e | f | g | k | A4 | B4 | H4 |
| ZJP150B | 115 | 57.5 | 152 | 675 | 320 | 360 | 245 | 190 | 385 | 205 | 30 | 95 | 100 | 145 | 170 | 100 | 145 | 170 | 80 | 125 | 145 | 4 | 4 | 4 | 10 | 10 | 10 | 18 | 950 | 495 | 415 |
| ZJP150BJ | 580 | 197 | 620 | 675 | 320 | 370 | 245 | 190 | 475 | 295 | 120 | 185 | 100 | 145 | 170 | 100 | 145 | 170 | 80 | 125 | 145 | 4 | 4 | 4 | 10 | 10 | 10 | 18 | 950 | 495 | 505 |
| ZJP300B | 225 | 112.5 | 314 | 775 | 320 | 360 | 285 | 185 | 440 | 215 | 25 | 130 | 150 | 195 | 220 | 150 | 195 | 220 | 100 | 145 | 170 | 8 | 8 | 8 | 10 | 10 | 8 | 18 | 1125 | 520 | 440 |
| ZJP300BJ | 740 | 277 | 780 | 775 | 320 | 380 | 285 | 185 | 525 | 300 | 110 | 215 | 150 | 195 | 220 | 100 | 195 | 220 | 100 | 145 | 170 | 8 | 8 | 8 | 10 | 10 | 8 | 18 | 1125 | 705 | 470 |
| ZJP600B | 170 | 85 | 250 | 896 | 500 | 550 | 375 | 285 | 610 | 320 | 40 | 172 | 200 | 250 | 275 | 200 | 250 | 275 | 160 | 200 | 225 | 8 | 8 | 8 | 10 | 10 | 10 | 18 | 1270 | 705 | 650 |
| ZJP600BJ | 760 | 277.5 | 815 | 896 | 480 | 550 | 375 | 285 | 673 | 383 | 103 | 235 | 200 | 250 | 275 | 160 | 250 | 275 | 160 | 200 | 225 | 8 | 8 | 8 | 10 | 10 | 10 | 24 | 1270 | 800 | 713 |
| ZJP1200B | 948 | 316 | 1000 | 1225 | 520 | 630 | 425 | 675 | 385 | 65 | 250 | 250 | 310 | 335 | 200 | 260 | 285 | 200 | 260 | 285 | 12 | 12 | 12 | 10 | 10 | 10 | 24 | 1720 | 800 | 715 | |
| ZJP1200C | 380 | 190 | 490 | 1170 | 480 | 540 | 425 | 590 | 300 | 30 | 165 | 250 | 310 | 335 | 200 | 260 | 285 | 200 | 260 | 285 | 12 | 12 | 12 | 10 | 10 | 10 | 24 | 1666 | 800 | 635 | |
| ZJP1200CJ | 948 | 316 | 1000 | 1170 | 520 | 590 | 425 | 675 | 385 | 115 | 250 | 250 | 310 | 335 | 200 | 260 | 285 | 200 | 260 | 285 | 12 | 12 | 12 | 12 | 10 | 10 | 26 | 1666 | 800 | 720 | |
| ZJP2500 | 735 | 367.5 | 855 | 1333.5 | 630 | 720 | 460 | 665 | 390 | 40 | 220 | 320 | 395 | 425 | 250 | 310 | 335 | 320 | 395 | 425 | 12 | 12 | 12 | 12 | 10 | 12 | 26 | 1900 | 800 | 800 |




